当前,数据中心机房通常由双路市电加柴油发电系统组成供电电源的基础架构。柴油发电机作为数据中心用电设备的备用电源,为数据中心不间断供电提供了可靠性保障。随着“新基建”的蓬勃发展,数据中心进入了快速发展期,而区域电力能源不足成为制约数据中心发展的重要因素。某些地区即使完成前期数据中心能耗审批并建设完工,进入运行阶段后也存在短时区域性电力负荷缺口。数据中心作为能耗大户,在供电紧张的情况下,存在被电力部门要求限电降容的可能。
本文通过对数据中心柴油发电机组与市电常用组网方式的分析,结合柴油发电机组运行、维护数据中心外部供电的现状,在目前运行维护的基础上,提出一种柴油发电系统与市电并网使用的技术方案,为提升数据中心柴油发电机组设备利用率与资源价值,提供一种可行性方案。
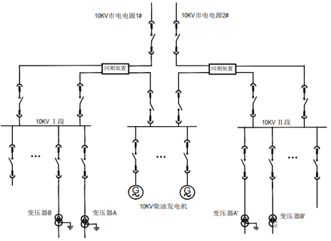
数据中心典型高压供电架构
《数据中心设计规范》(GB50174—2017)规定:A级数据中心应由双重电源供电,并应设置备用电源。备用电源宜采用独立于正常电源的柴油发电机组,也可采用供电网络中独立于正常电源的专用馈电线路。当正常电源发生故障时,备用电源应能承担数据中心正常运行所需要的用电负荷。
当前,国内数据中心无论机房外部市电电压等级为多少,机房内部的高压配电系统基本以2N架构的10KV系统为主,且随着信息技术的发展,数据中心容量规模也越来越大,大型数据中心基本配置高压柴油发电机作为备用电源。其中典型架构如图1所示。

图1 供配电系统典型架构
在上述供配电系统架构中,为避免日常状态下备用电源启用对电网的影响,通常对市电电源与备用柴油发电电源进行逻辑与机械互锁的设计,形成“2N+1”的两路市电主用电源与柴油发电机系统备用电源供电架构,此架构的稳定性、可用性较高,在当前数据中心建设中广泛使用。
典型供电架构分析
典型10KV供电架构
某数据中心高压供电架构如图2所示,该数据中心机房侧10KV高压系统为单母线分段,之间不设母联断路器,低压系统配置母联断路器,柴油发电系统由10台高压机组组成,与两路市电形成“或”的关系,即在两路市电都停电的情况下,柴油发电机系统启动并给负载供电。柴油发电系统与两路10KV线路之间设置电气和机械互锁,防止柴油发电系统与市电系统同时供电造成的不良后果。

图2 某数据中心高压供电架构
从设备运行稳定性、可靠性的角度考量,10KV高压“2N+1”供电架构无疑是当前数据中心建设的最优选择。但从基础配套运维,特别是柴油发电机日常及周期维保的要求来看,存在一些执行问题。
柴油发电带载测试出现的问题
数据中心柴油发电机带载测试时,存在重要业务机房的供电安全问题,这一直是运维人员头顶悬着的“一把剑”。笔者认为,这是供配电架构、市电与柴油发电机切换逻辑、不间断电源蓄电池后备保障时长等因素决定的。
《数据中心设计规范》(GB50174—2017)规定,2N系统的两路市电与柴油发电机为主备关系,一般市电与柴油发电机的逻辑关系为当两路市电都停电时,柴油发电机启动对后端负载进行供电保障。因控制逻辑判断、信号接收、断路器分合闸动作等时延因素,在市电切换柴油发电机的过程中,存在几十秒甚至数分钟的时间差。在某数据中心实测,10KV高压ATS切换系统市电停电切换至柴油发电机供电用时约19秒;市电来电恢复,柴油发电机切换至市电用时约16秒。在市电与柴油发电机相互切换的停电过程中,负载业务的供电由交流或直流不间断电源的后备蓄电池进行保障。《数据中心设计规范》(GB50174—2017)规定,当以柴油发电机为后备电源时,A级数据中心蓄电池最少备用时间为15分钟。理论上不间断电源蓄电池的后备保障时长,足以保障市电与柴油发电机的切换时间。
众所周知,蓄电池是通过内部化学反应的方式进行充放电,其为一个极不稳定的故障点。在笔者多年的电源维护工作经历中,曾遇到过上个月刚做完全蓄电池容量测试且数据显示电池组放电性能良好,次月在柴油发电机带载应急演练市电、柴油发电机切换过程中,部分电池组中因个别单体电池故障,影响后端业务供电正常的情况。个人认为此种情况并非个例,特别是在蓄电池组接近报废年限的不间断供电系统中,问题尤为突出。因此,数据中心机房柴油发电机带负载运行给运维人员带来的压力可想而知。
通常的解决方案
为避免上述情况的发生,目前国内通常的做法是在数据中心建设初期,配置一套假负载装置,以供后期运维油机带载测试。此方法对小型数据中心而言比较适用,但大中型数据中心容量较大,一般都配置10多台甚至数十台高功率柴油发电机进行并机,以满足后端负载供电;而假负载装置的容量一般仅能满足单台油机满负载带载测试,无法满足柴油发电机整个并机系统的满负载测试,因而达不到测试要求。此外,与真实负载存在变化与波动相比,假负载的电能性质及负载容量比较稳定,因此,假负载带载测试无法真实测试数据中心柴油发电系统是否满足供电要求。
优化解决方案
柴油发电机组对于电网而言,相当于一个分布式电源,分布式电源接入配电网会产生潮流、电压、继电保护动作等变化。柴油发电机组与电网电源并网运行,需要满足3个条件,即电源频率、电压幅值、相位相同。在并网运行时,需要一套系统控制有功、电压等参数。同期装置是一种在电力系统执行并网时使用的监视、指示、控制设备,它可以检测并网点两侧的电源频率、电压幅值、相位是否达到同期条件,其操作方式有手动并网和自动并网两种。
为加强数据中心供电架构运维的可靠、可用性能,笔者根据对某数据中心现网高压供电架构的调研及分析,提出一种优化方案,其架构如图3所示。

图3 某数据中心现网高压供电优化架构
取消原有供电架构的市电进线与发电机组之间的联锁装置,保留原有的操作机制,同时在原有设备基础上增加同期装置,以实现柴油发电机与市电电源并网供电。
在正常情况下,由两路高压市电分别供电;当两路市电同时停电时,柴油发电机启动给后端负载供电。上述两种情况同期装置为无压供电模式,即单路电源供电。当需进行油机带载测试或应急演练时,手动启动柴油发电机组通过1段或2段同期装置进行同期手动并网。在该设计方案中,柴油发电系统只针对其中某一路市电进行并网,不设置同时跟踪两路市电进行并网操作。
优点与效益
采用同期装置可以根据需求设置柴油发电机与某单路市电同步实现并网。柴油发电机组可以根据数据中心运维及业务需求,启动为后端负载供电进行带载测试。加装同期装置后可在市电不断电的情况下,启动柴油发电机组进行同期并网并给后端供电,实现了市电、柴油机发电无缝切换,避免了相互切换间隙需通过蓄电池供电,提高了数据中心整个供电系统的可靠性及柴油发电系统的可用性。同时,给后期运维工作带来便利并降低故障风险。
《数据中心设计规范》(GB50174-2017)规定,A级数据中心燃油存储量需满足12小时使用。通常情况下,大中型数据中心都建有大容量储油罐,以保证柴油能满足长时间停电的用量。但国内绝大部分数据中心两路市电同时不可用率极低,即启动柴油发电机供电保障时间不多,导致储油罐中柴油存储时间过长,据业内对长期存放柴油的调查,其处理方式通常有两种:每隔2~3年对柴油进行专业的过滤清洗,以达到柴油油品合格标准;或是每隔3~5年用新柴油替换陈旧柴油。
上述两种处置方案都存在产生高昂额外费用及浪费能源的情况。通过增加同期装置对供电架构进行优化后,可有计划性地启动柴油发电机组进行手动并网,实现柴油能源的合理消耗、利旧,变废为宝。数据中心可结合自身运维需求,在保障安全的前提下,配合供电部门在区域用电高峰期,启动柴油发电机电源与单路市电并网保障负荷需求,同时参与供电保障。
上述数据中心市电与柴油机发电并网供电架构,是实践过程中的一种设想、尝试与参考。数据中心内市电电源与柴油发电机电源相互联锁的供电架构模式,在当前数据中心相关从业人员中已深入人心。笔者认为,在当前信息化发展迅速的时代,数据中心基础配套从业人员应该拥抱变化,为数据中心供电系统安全稳定运行积极拓展新思路。